Zurück zu
>
Benzinmotoren
>
Tecumseh
>
Prisma
>
Prisma 37 Fixspeed ( 2003 / 2031085- )
>
Motor (2031085-2003-1)
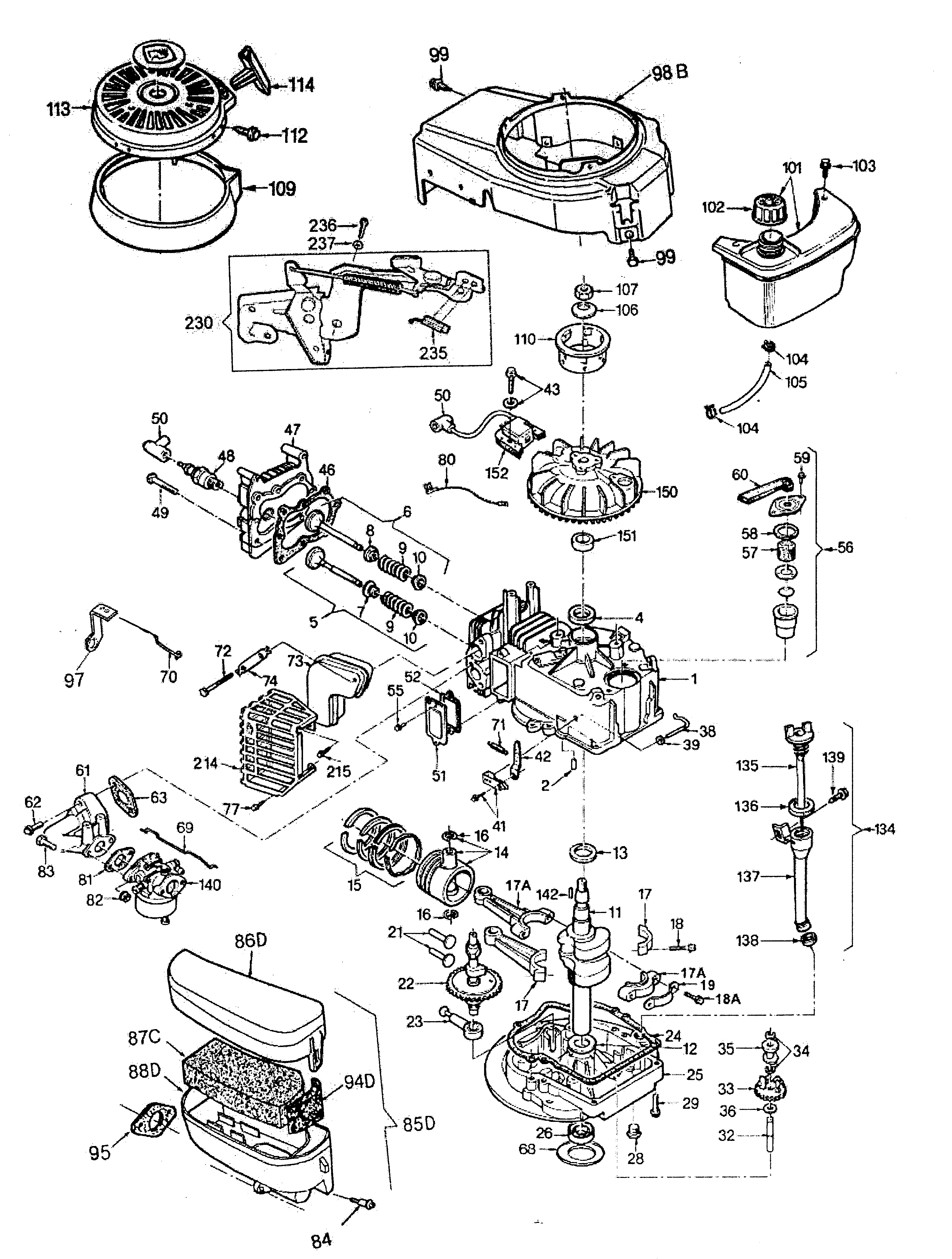
Ersatzteillisten für Wolf Benzinmotoren Motor (2031085-2003-1)
Pos.
Bezeichnung
Ersatzteilnummer
1
Zylinder (inkl.-2,4)
2031 222
2
Passtift
2031 106
4
Simmerring
1005 202
5
Einlaßventil
1032 203
6
Auslassventil (inkl.-9,10)(Std)
2024 059
7
Simmering
2031 215
9
Ventilfeder
1038 205
10
Ventilteller
1005 209
11
Kurbelwelle
2085 200
12
Drucklager
2025 208
14
Kolben
1039 100
15
Kolbenringsatz
1039 103
16
Sicherungsring
1032 103
17
Pleuelstange (inkl.-18)
2028 202
18
Schraube
2036 201
21
Ventilstössel
1032 220
22
Nockenwelle
2037 100
23
Ölpumpe
2026 206
24
Dichtung
1032 223
25
Flansch
2027 201
26
Simmering
1005 217
28
Ölablaßschraube
2030 209
29
6kt.-Schraube
1038 209
32
Reglerwelle
1032 225
33
Verzahnung
1032 230
34
Federring
1032 231
35
Reglerspule
1032 232
36
Scheibe
2026 205
38
Reglerwelle
2026 208
39
Scheibe
1032 236
41
Hebel
2031 117
42
Reglerhebel
2027 206
43
Schraube
2027 305
46
Dichtung
1032 112
47
Zylinderkopf
2027 100
48
Zündkerze
2037 101
49
Schraube
2030 203
50
Kerzenstecker
2085 301
51
Lüftungsdeckel
2087 301
52
Dichtung
1032 306
55
Schraube
2031 201
56
Entlüfter
2031 531
57
Einsatz
2085 308
58
Dichtung
2085 309
59
Schraube
2026 405
60
Rohr Entl.
2031 532
61
Ansaugkrümmer
2037 102
62
Schraube
1032 482
63
Dichtung
1032 221
69
Gelenk
2085 214
70
Gelenk
2085 215
71
Stift
2031 120
72
Schraube
2030 200
73
Auspuff
2037 063
74
Blech-Halt.
2025 209
77
Schraube
2026 405
80
Kurzschlusskabel
2085 316
81
Dichtung
1037 400
82
Mutter
2085 403
83
Schraube
2031 202
84
Schraube
2031 203
85D
Luftfilter kpl. (inkl.-86C,87C,88C,89A,94A)
2031 054
86D
Filterdeckel
2031 223
87C
Filtereinsatz
2037 301
88D
Filtergehäuse
2031 224
89A
Filtergehäuse Dichtung
2037 303
94D
Entlüfter Einsatz
2031 225
95
Dichtung
2027 403
97
Hebel für feste Drehzahl
2031 226
98B
Lüftergehäuse
2031 227
99
6kt.-Schraube
1032 315
101
Tank
2031 057
102
Tankdeckel
2085 500
103
Schraube
2026 215
104
Klammer
2030 501
105
Schlauch
2026 500
106
Scheibe
2026 606
107
Mutter
2026 607
110
Starter Schale
2085 613
112
Schraube
2085 614
113
Starter kpl.
2085 052
114
Griff
2030 601
134
Öleinfüllrohr kpl.
2031 075
135
Ölmeßstab
2031 255
136
Dichtung
2031 452
137
Öleinfüllrohr
2031 250
138
Dichtung
2027 208
139
Schraube
2030 204
140
Vergaser
2031 228
142
Keil
2030 201
150
Schwungrad
2029 303
151
Distanzstück
2085 304
152
Zündspule
2030 055
165
Dichtungssatz
2031 058
192
Schraube
2085 404
214
Berührungsschutz
2031 107
215
Schraube
2031 207
230
Bremse kompl. (inkl.-235)
2031 127
235
Schalter
2031 125
236
Schraube
2037 108
Gebrauchsanweisungen
Wolf
Handgeräte
Heckenscheren
Universalscheren
Handgrasscheren
Astscheren
Baumscheren
Baumpflege
Beleuchtungssysteme
Accuscheren
Häcksler
Sägen
Trimmer
Spindelmäher
Streuwagen / Portax
Schlauchwagen
Vertikutierer / Lüfter / Aerifizierer
Mäher
Aufsitzmäher
Benzinmotoren
Tecumseh
Prisma
Prisma 37 ( 1996 / 2031055- )
Prisma 156 ( 1997 / 2031050- )
Prisma 156 ( 2001 / 2031005- )
Prisma 156 ( 2003 / 2031005- )
Prisma 37 Fixspeed ( 2003 / 2031085- )
Motor (2031085-2003-1)
Vergaser (2031085-2003-2)
Centura
Futura
Synergy
Vantage
VLV
Briggs & Stratton
Honda
Kawasaki
Zubehör
Impressum
(C) by motoruf