Husqvarna HVGTK 180AR - Lawn Tractor (1990-03 & After) Mower Ersatzteile
Mower HVGTK 180AR - Husqvarna Lawn Tractor (1990-03 & After)

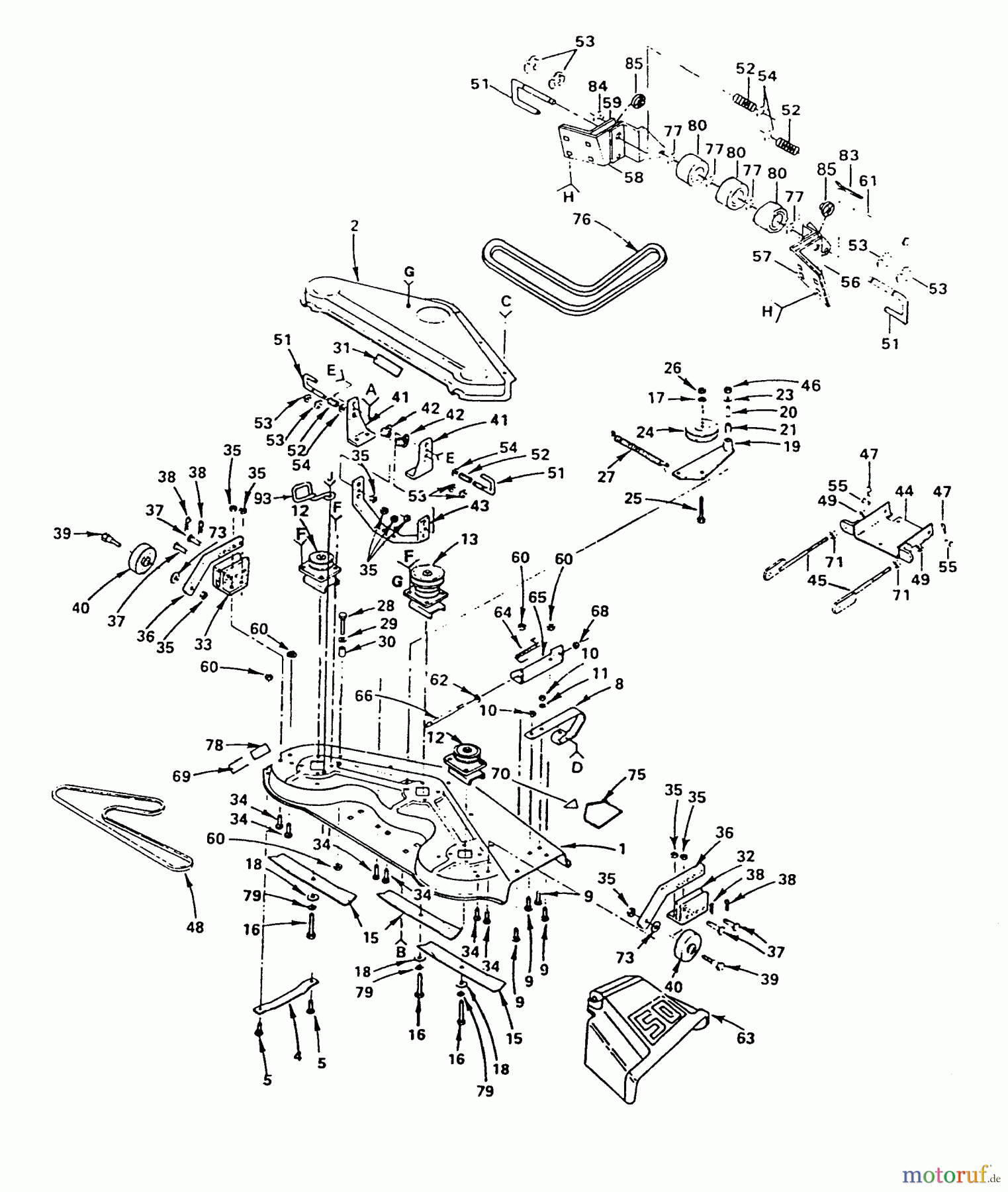
Hier finden Sie die Ersatzteilzeichnung für Husqvarna Rasen und Garten Traktoren HVGTK 180AR - Husqvarna Lawn Tractor (1990-03 & After) Mower. Wählen Sie das benötigte Ersatzteil aus der Ersatzteilliste Ihres Husqvarna Gerätes aus und bestellen Sie einfach online. Viele Husqvarna Ersatzteile halten wir ständig in unserem Lager für Sie bereit.












