Husqvarna LGT 2554 (96045001501) - Lawn Tractor (2009-05 & After) Steering Assembly Ersatzteile
Steering Assembly LGT 2554 (96045001501) - Husqvarna Lawn Tractor (2009-05 & After)

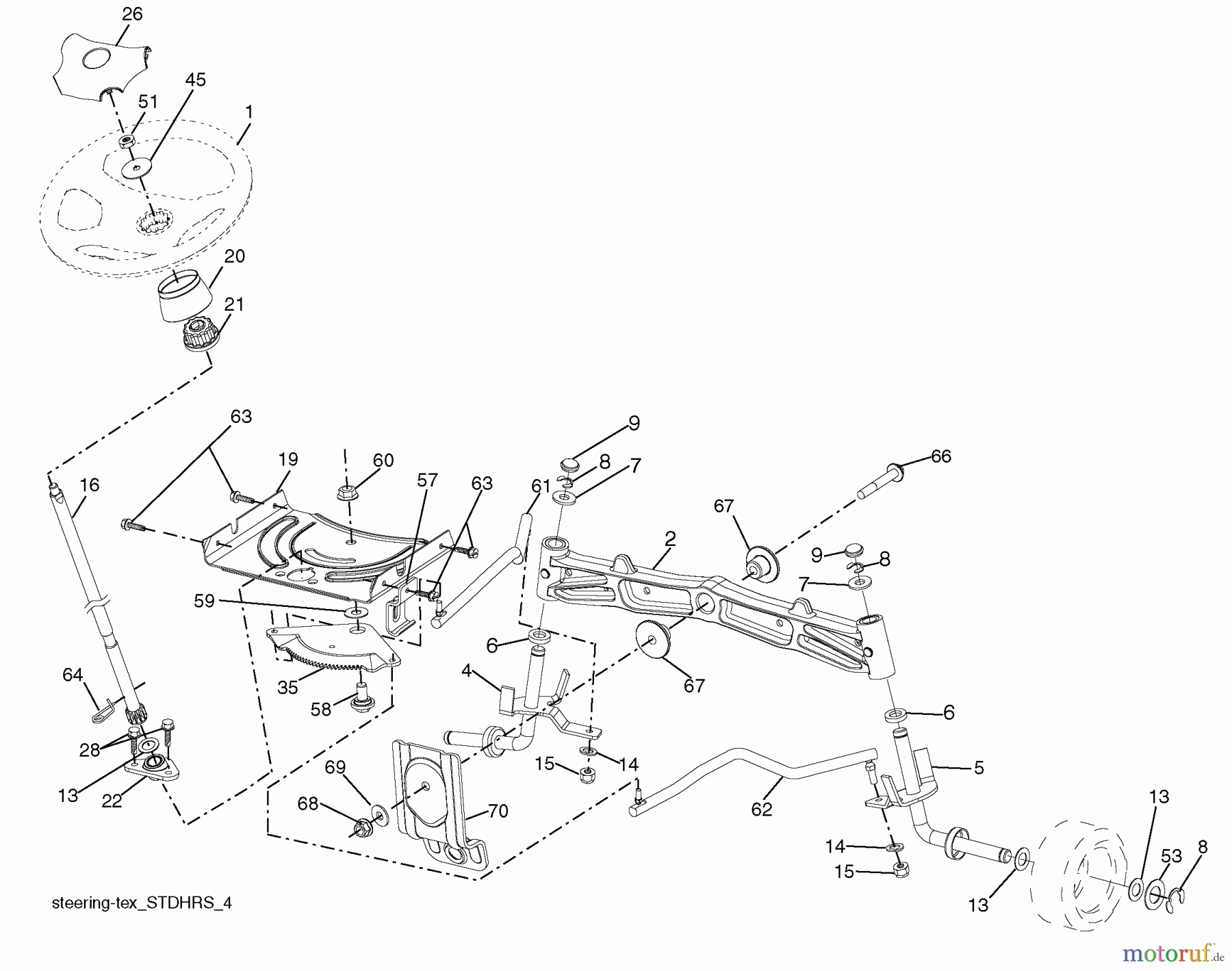
Hier finden Sie die Ersatzteilzeichnung für Husqvarna Rasen und Garten Traktoren LGT 2554 (96045001501) - Husqvarna Lawn Tractor (2009-05 & After) Steering Assembly. Wählen Sie das benötigte Ersatzteil aus der Ersatzteilliste Ihres Husqvarna Gerätes aus und bestellen Sie einfach online. Viele Husqvarna Ersatzteile halten wir ständig in unserem Lager für Sie bereit.












