Husqvarna YTH 150 (954880011) (HCYTH150B) - Yard Tractor (1996-01 & After) Schematic Ersatzteile
Schematic YTH 150 (954880011) (HCYTH150B) - Husqvarna Yard Tractor (1996-01 & After)

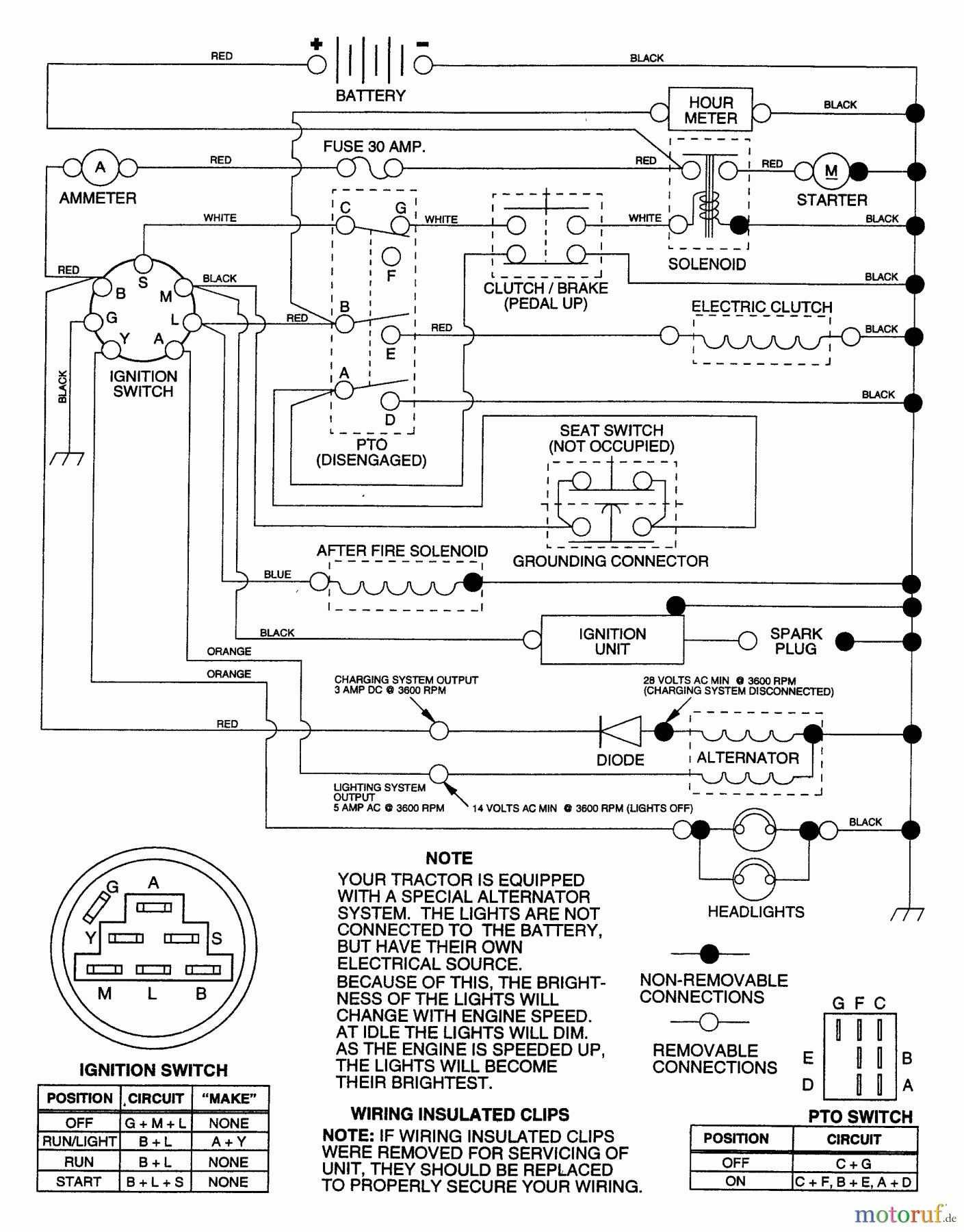
Hier finden Sie die Ersatzteilzeichnung für Husqvarna Rasen und Garten Traktoren YTH 150 (954880011) (HCYTH150B) - Husqvarna Yard Tractor (1996-01 & After) Schematic. Wählen Sie das benötigte Ersatzteil aus der Ersatzteilliste Ihres Husqvarna Gerätes aus und bestellen Sie einfach online. Viele Husqvarna Ersatzteile halten wir ständig in unserem Lager für Sie bereit.


Qualitätsmanagement
Informieren Sie uns, wenn Sie einen Fehler gefunden haben.

