Husqvarna YTH 20K46 (917.289541) - Yard Tractor (2010-01 & After) (Sears Craftsman) Drive Ersatzteile
Drive YTH 20K46 (917.289541) - Husqvarna Yard Tractor (2010-01 & After) (Sears Craftsman)

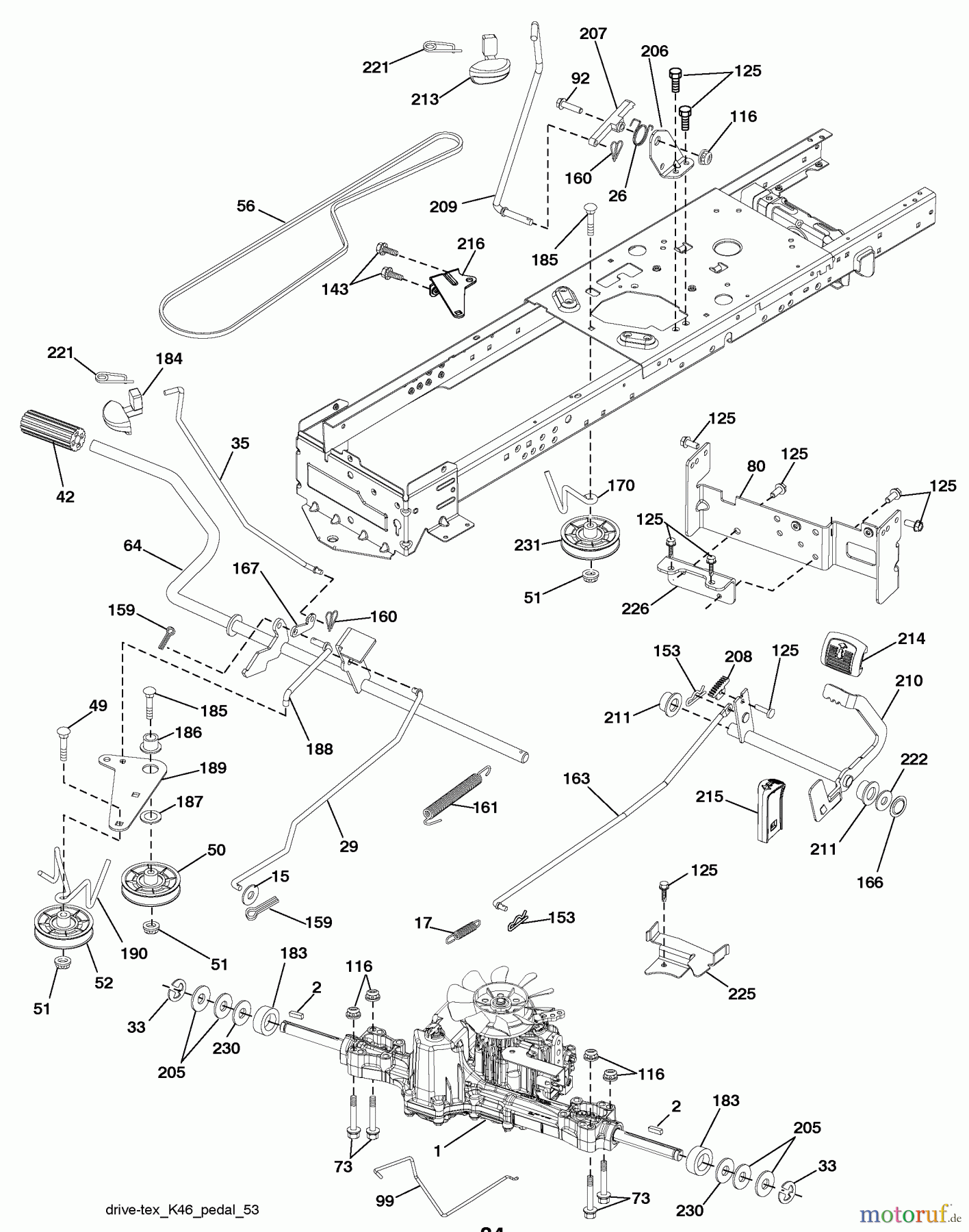
Hier finden Sie die Ersatzteilzeichnung für Husqvarna Rasen und Garten Traktoren YTH 20K46 (917.289541) - Husqvarna Yard Tractor (2010-01 & After) (Sears Craftsman) Drive. Wählen Sie das benötigte Ersatzteil aus der Ersatzteilliste Ihres Husqvarna Gerätes aus und bestellen Sie einfach online. Viele Husqvarna Ersatzteile halten wir ständig in unserem Lager für Sie bereit.










