Husqvarna YTH 24V48LS (96043009800) - Yard Tractor (2009-12 & After) Mower Lift Ersatzteile
Mower Lift YTH 24V48LS (96043009800) - Husqvarna Yard Tractor (2009-12 & After)

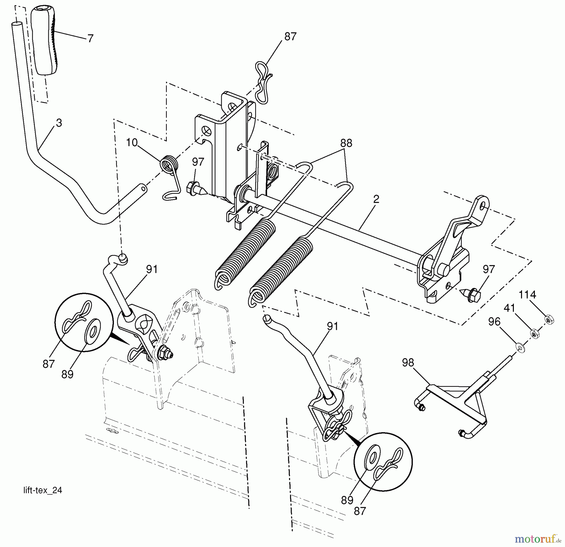
Hier finden Sie die Ersatzteilzeichnung für Husqvarna Rasen und Garten Traktoren YTH 24V48LS (96043009800) - Husqvarna Yard Tractor (2009-12 & After) Mower Lift. Wählen Sie das benötigte Ersatzteil aus der Ersatzteilliste Ihres Husqvarna Gerätes aus und bestellen Sie einfach online. Viele Husqvarna Ersatzteile halten wir ständig in unserem Lager für Sie bereit.
| BildNr | Artikel Nummer | Bezeichnung | |
| 2 | 532 42 20-27 | ACHSE | |
| 3 | 532 19 52-30 | HEBEL | |
| 7 | 532 41 15-55 | GRIFF | |
| 10 | 532 19 63-14 | FEDER | |
| 41 | 532 17 59-94 | MUTTER | |
| 87 | ![]() | 532 19 42-09 | FEDER |
| 88 | 532 41 07-10 | FEDER | |
| 89 | ![]() | 819 19 19-12 | SCHEIBE |
| 91 | 532 19 51-81 | GESTAENGE HINTEN | |
| 96 | 532195263 | ||
| 97 | 817 00 06-12 | SCHRAUBE | |
| 98 | 574822501 | ||
| 114 | 873 61 07-00 | MUTTER | |





