Murray 42533x30A - 42" Lawn Tractor (1997) Engine Mount Ersatzteile
Engine Mount 42533x30A - Murray 42" Lawn Tractor (1997)

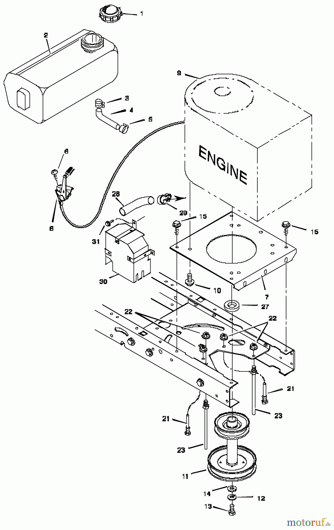
Hier finden Sie die Ersatzteilzeichnung für Murray Rasen- und Gartentraktoren 42533x30A - Murray 42" Lawn Tractor (1997) Engine Mount. Wählen Sie das benötigte Ersatzteil aus der Ersatzteilliste Ihres Murray Gerätes aus und bestellen Sie einfach online. Viele Murray Ersatzteile halten wir ständig in unserem Lager für Sie bereit.



