Murray 465616x6A - Ultra 46" Lawn Tractor (2001) Engine Mount Assembly Ersatzteile
Engine Mount Assembly 465616x6A - Murray Ultra 46" Lawn Tractor (2001)

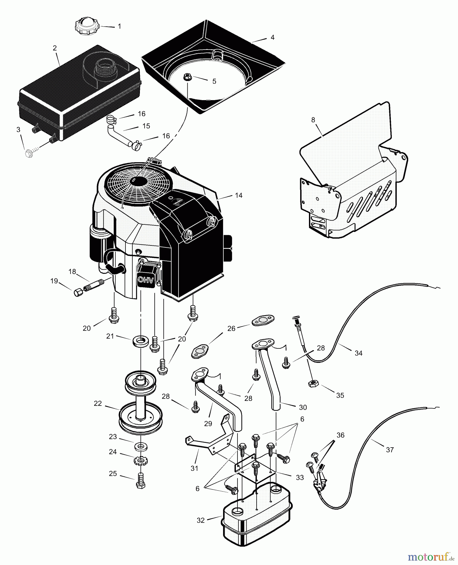
Hier finden Sie die Ersatzteilzeichnung für Murray Rasen- und Gartentraktoren 465616x6A - Murray Ultra 46" Lawn Tractor (2001) Engine Mount Assembly. Wählen Sie das benötigte Ersatzteil aus der Ersatzteilliste Ihres Murray Gerätes aus und bestellen Sie einfach online. Viele Murray Ersatzteile halten wir ständig in unserem Lager für Sie bereit.



