Murray G3554160 - 40" Lawn Tractor (1997) Schematic Drawing Ersatzteile
Schematic Drawing G3554160 - Murray 40" Lawn Tractor (1997)

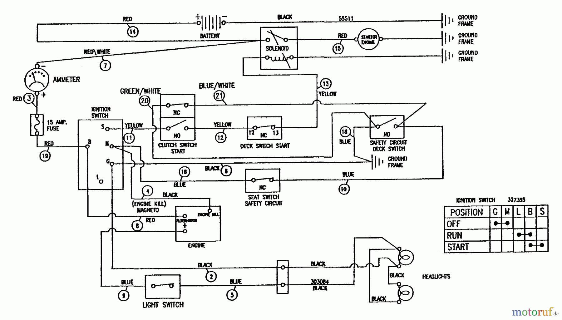
Hier finden Sie die Ersatzteilzeichnung für Murray Rasen- und Gartentraktoren G3554160 - Murray 40" Lawn Tractor (1997) Schematic Drawing. Wählen Sie das benötigte Ersatzteil aus der Ersatzteilliste Ihres Murray Gerätes aus und bestellen Sie einfach online. Viele Murray Ersatzteile halten wir ständig in unserem Lager für Sie bereit.


Qualitätsmanagement
Informieren Sie uns, wenn Sie einen Fehler gefunden haben.

