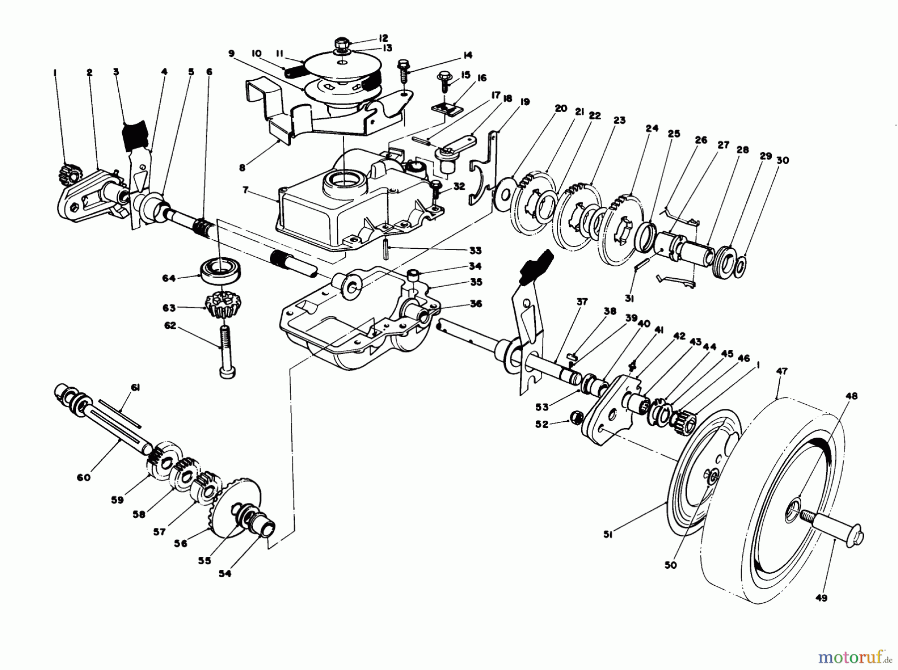
Toro 20627C - Lawnmower, 1986 (6000001-6999999) GEAR CASE ASSEMBLY (MACHINE SERIAL NO. 6900001 THRU 6902500) Ersatzteile
GEAR CASE ASSEMBLY (MACHINE SERIAL NO. 6900001 THRU 6902500) 20627C - Toro Lawnmower, 1986 (6000001-6999999)

Hier finden Sie die Ersatzteilzeichnung für Toro Neu Mowers, Walk-Behind Seite 1 20627C - Toro Lawnmower, 1986 (6000001-6999999) GEAR CASE ASSEMBLY (MACHINE SERIAL NO. 6900001 THRU 6902500). Wählen Sie das benötigte Ersatzteil aus der Ersatzteilliste Ihres Toro Gerätes aus und bestellen Sie einfach online. Viele Toro Ersatzteile halten wir ständig in unserem Lager für Sie bereit.











