Toro 06-36SL01 - 36" Snowthrower, 1989 SNOWTHROWER-36" (91CM) VEHICLE IDENTIFICATION NUMBER 06-36SL01 Ersatzteile
SNOWTHROWER-36" (91CM) VEHICLE IDENTIFICATION NUMBER 06-36SL01 06-36SL01 - Toro 36" Snowthrower, 1989

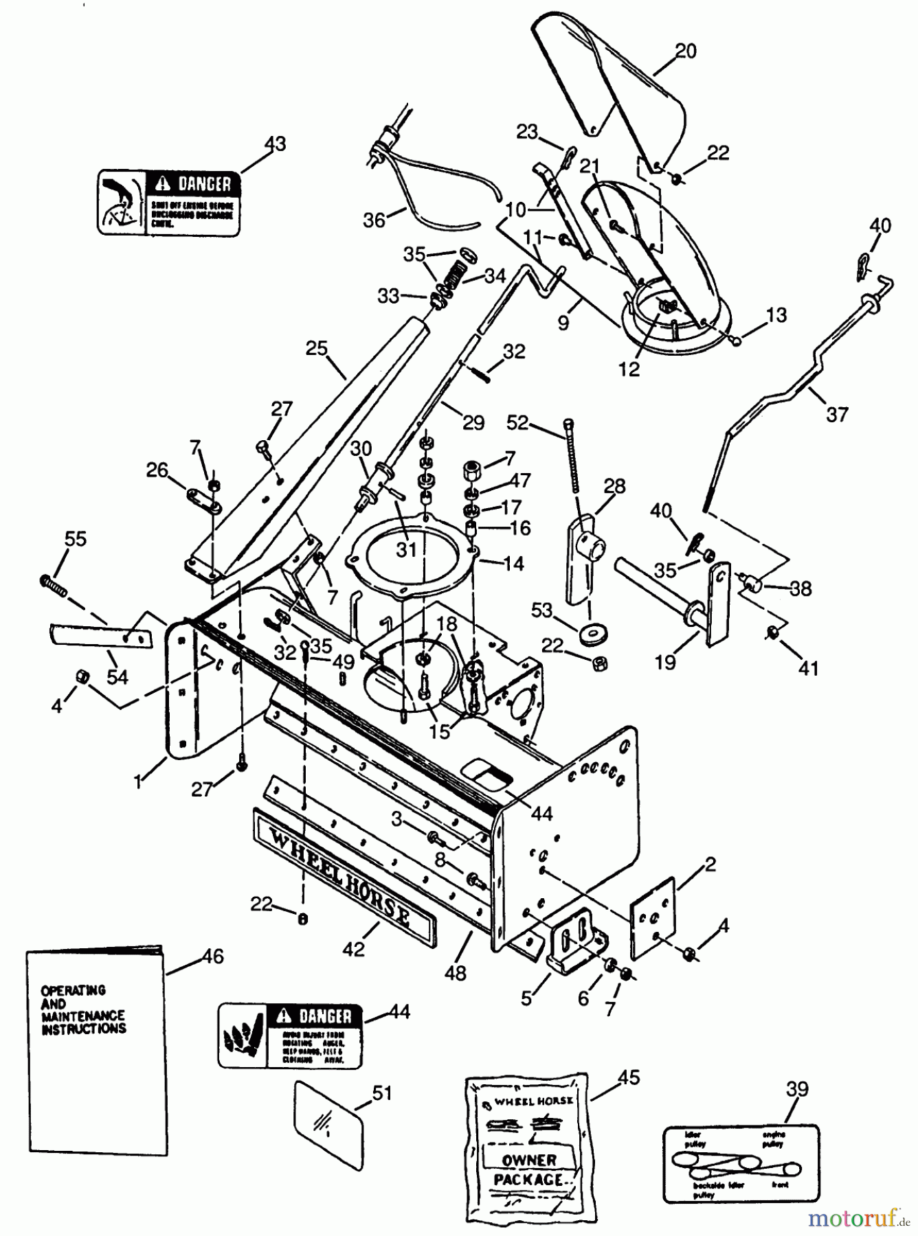
Hier finden Sie die Ersatzteilzeichnung für Toro Neu Snow Blowers/Snow Throwers Seite 1 06-36SL01 - Toro 36" Snowthrower, 1989 SNOWTHROWER-36" (91CM) VEHICLE IDENTIFICATION NUMBER 06-36SL01. Wählen Sie das benötigte Ersatzteil aus der Ersatzteilliste Ihres Toro Gerätes aus und bestellen Sie einfach online. Viele Toro Ersatzteile halten wir ständig in unserem Lager für Sie bereit.


Qualitätsmanagement
Informieren Sie uns, wenn Sie einen Fehler gefunden haben.

