Global Garden Products GGP XK_XK4 SERIES 2007 KANZAKI GETRIEBE KTM 10M Ersatzteile
KANZAKI GETRIEBE KTM 10M 2007

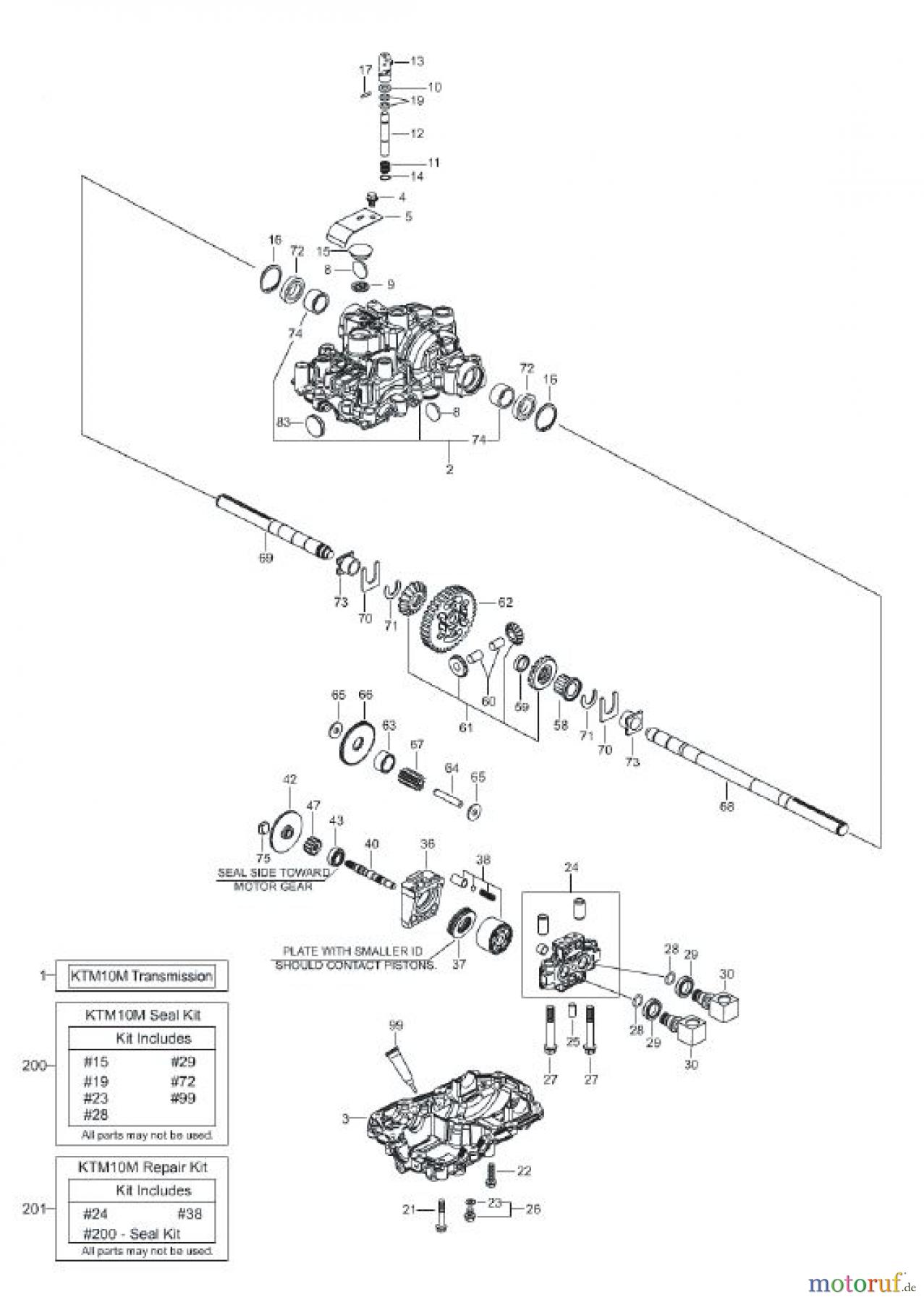
Hier finden Sie die Ersatzteilzeichnung für Global Garden Products GGP Frontmäher XK_XK4 SERIES 2007 KANZAKI GETRIEBE KTM 10M. Wählen Sie das benötigte Ersatzteil aus der Ersatzteilliste Ihres Global Garden Products GGP Gerätes aus und bestellen Sie einfach online. Viele Global Garden Products GGP Ersatzteile halten wir ständig in unserem Lager für Sie bereit.



